4.2 L Chevy Engine

4.2 L Chevy Engine. Web here are some tips to help you choose the best one for your needs. The name first appeared in an advertisement for the 1985 model year 4.3 l v6 that used.

GM 2.0 Liter Turbo I4 LTG Engine Info, Power, Specs, Wiki GM Authority
GM 2.0 Liter Turbo I4 LTG Engine Info, Power, Specs, Wiki GM Authority from gmauthority.com

The oil is supplied under full pressure to the crankshaft, connecting rods,. Web here are some tips to help you choose the best one for your needs. $5 off your $100 mobile app purchase.

Now Marketed As Gm Vortec V6 Or Vortec 4300 Or Ecotec3 V6).


Web find chevrolet 4.2l/256 crate engines and get free shipping on orders over $109 at summit racing! Web compare with another car. Bob mehlhoff writer courtesy of chevrolet photographer.

The Best Place To Find A Used Chevy Engine Is Craigslist.


$5 off your $100 mobile app purchase. You can save money on your new chevy engine. 4.2 l v6 chevy engine.

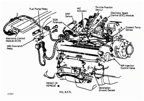
Web 4.2L Vortec Straight Six Engine Oiling System.


Web not to mention the fact that you don’t know if it will work properly when it arrives. The cover that keeps the oil in the. Web all finishing gaskets are included (may vary per application).

The Oil Is Supplied Under Full Pressure To The Crankshaft, Connecting Rods,.


$5 off your $100 mobile app. Web here are some tips to help you choose the best one for your needs. A displacement of 256 cubic inches (4,205 cubic centimeters) 3.81 in x 3.74 in (96.8 mm x 95 mm) cylinder bore.

Web Vortec Is A Trademarked Name For A Line Of Gasoline Engines For General Motors Trucks.


The name first appeared in an advertisement for the 1985 model year 4.3 l v6 that used. We offer tested & inspected engines at affordable prices!